利達LD4900G中繼模塊接線安裝技術
介紹:
LD4900G中繼模塊采用特殊防潮技術和插拔式結構設計。配合我公司生產的全系列火災報警控制器與非編碼探測器使用,主要用在非編碼探測器保護同一報警區域時,將所有探測器統一為一個地址點輸送給火災報警控制器,適用于一個防火區安裝多只探測器的場所。本產品無污染、功耗低,適用于各種工業及民用建筑。本產品無污染、功耗低,適用于各種工業及民用建筑。滿足 GB 16806-2006《消防聯動控制系統》、CCCF-CPRZ-15《消防類產品認證實施規則》, 取得消防產品認證證書。
功能:
★ 二總線,無極性。
★ 采用電子編碼,占一個地址點(1~255)。
★ 每個中繼模塊可以帶 1~20 只我公司非編碼型感溫探測器,或 1~10 只非編碼型感煙探器。
★ 可檢測線路斷線故障。
主要技術指標:

外形結構示意圖:

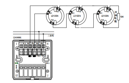
接線示意圖:

注:最遠端非編碼探測器距離模塊不得超過 500 米。
安裝步驟: 與 LD4400G-1 相同。



蘇公網安備32058102002170號
客服1